机械新闻网5月28日电 为提高员工的工程制图及三维建模能力,选拔员工参加全省以及全国相关赛事,5月25-26日成功举办第二届bv伟德国际1946“智诚杯”制图与建模大赛。本大赛以员工绘图技术为基础,以先进计算机成图技术为核心,旨在普及标准制图方法并推广先进设计技术,并以此促进教学技术改革,提升员工创新能力和实践能力。该项大赛由东莞市机电工程学会主办,由伟德国际victor1946承办,并获得了智诚计算机辅助设计(深圳)有限公司的赞助,出席嘉宾包括伟德国际victor1946领导以及相关专业教师。


本次大赛共吸引了来自不同专业的59人报名参赛,比赛内容分为尺规绘图比赛以及SOLIDWORKS三维建模比赛。经过一天的选手角逐以及评委评分,最终评选出一等奖3名、二等奖6名、三等奖8名以及优胜奖16名。智诚计算机辅助设计(深圳)有限公司派出3名代表出席了大赛颁奖仪式,并亲自为获奖选手颁发了奖状和奖杯。
至此,第二届bv伟德国际1946“智诚杯”制图与建模大赛圆满结束。该项大赛为第二次举办,较第一届吸引了更多的员工报名参加,参赛选手亦展现出较高的制图与建模水平。后续还将从获奖选手中选派员工代表公司参加2019年广东省CAD图形设计职业技能大赛以及第十二届高教杯全国老员工先进成图技术与产品信息建模创新大赛。


获奖名单附下:
一等奖:叶泽荣、黄鑫城、张城森;
二等奖:邓元贵、林镇炜、傅健、宋奥柯、彭照荣、周森达;
三等奖:庄志铭、甄铁城、林文东、李阳嘉、程林、曹李俊、刘付中平、廖烁煌;
优胜奖:李绪锐、艾方旭、陈浩鑫、陈 旭、潘朝暉、戴桐生、陈壮诗、阮庆钱、周桂民、陈日浩、马德添、李润华、许家俊、邱林峰、吴锐、陈富琪。
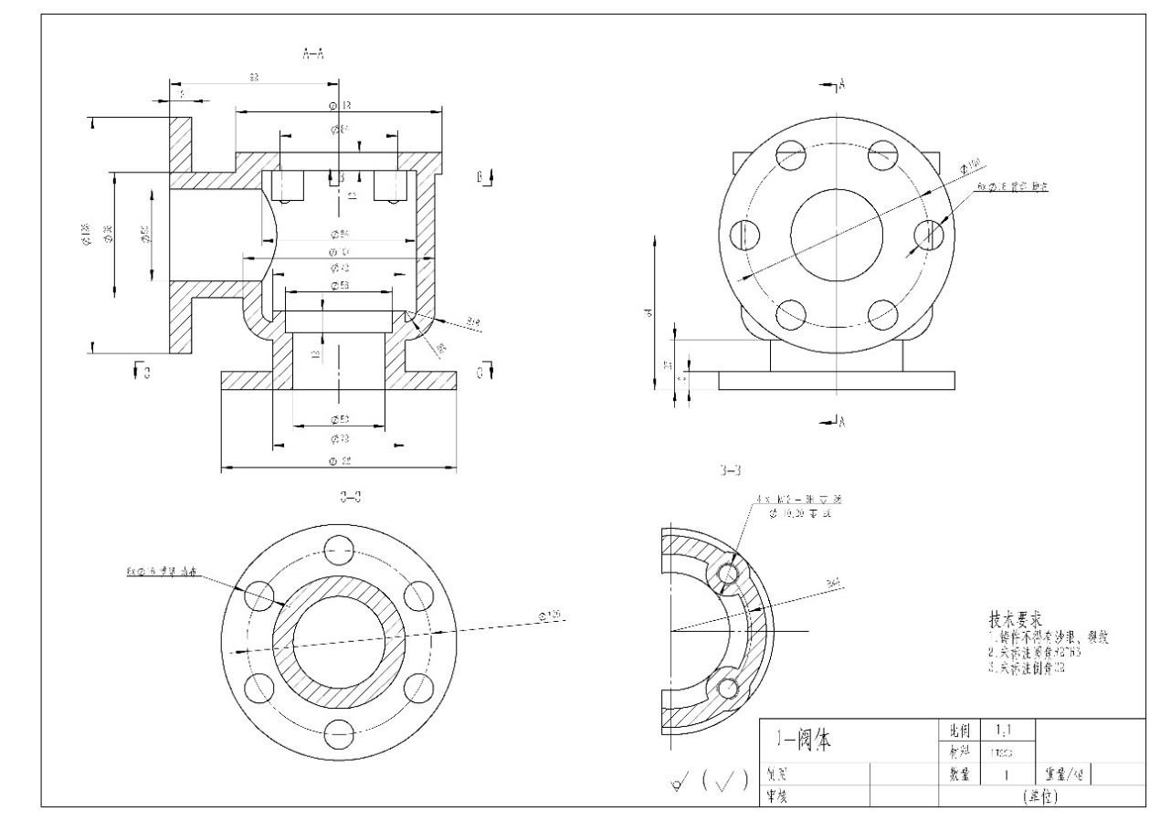
以下为此次获奖选手部分竞赛作品:



供稿:郑东海