兹有中子屏蔽体、负压腔体、距离调节架、角度调节机构采购 项目进行询价采购,请根据询价通知书的要求进行报价。项目的采购基本情况、质量、服务需求和供应商报价所要具备的条件如下:
一、 项目名称:中子屏蔽体、负压腔体、距离调节架、角度调节机构采购
二、 采购编号: DGUT202106177
三、 采购预算: 138000元
四、 供应商资格要求
1、 投标人须符合《中华人民共和国政府采购法》第二十二条规定;
2、 单位负责人为同一人或者存在直接控股、管理关系的不同投标人,不得参加同一合同项下的政府采购活动;为本项目提供整体设计、规范编制或者项目管理、监理、检测等服务的供应商,不得参加本采购项目的采购活动;
3、 投标人未被列入“信用中国”网站(www.creditchina.gov.cn)“记录失信被执行人或重大税收违法案件当事人名单或政府采购严重违法失信行为”记录名单;不处于中国政府采购网(www.ccgp.gov.cn)“政府采购严重违法失信行为信息记录”中的禁止参加政府采购活动期间。(以采购代理机构于投标截止日当天在“信用中国”网站(www.creditchina.gov.cn)及中国政府采购网(www.ccgp.gov.cn)查询结果为准,如相关失信记录已失效,投标人需提供相关证明资料);
4、 本项目不接受联合体投标;
五、 项目概况及采购需求
1、 项目概况:购置屏蔽真空腔体和距离角度调节机构,包括中子屏蔽体、负压腔体、距离调节架、角度调节机构,应用于中子屏蔽和真空测试实验中,适用于多物理谱仪样品测试实验中多接口的腔体,是多物理谱仪基础的实验设备。 ;
2、 项目工期/交货期:签定合同后90 个日历天内完成;
3、 交货地点:bv伟德国际1946机电楼12C101,由供应商送货上门并承担运费;
4、 采购内容清单:
| 序号 |
产品名称 |
数量 |
单位 |
市场参考价 |
技术参数/服务要求 |
备注 |
|
中子屏蔽体 |
1 |
个 |
60000 |
中子屏蔽体具备有中子屏蔽功能,具备耐高温的腔体,空间尺寸与多物理谱仪设备接口匹配。 |
|
|
负压腔体 |
1 |
个 |
40000 |
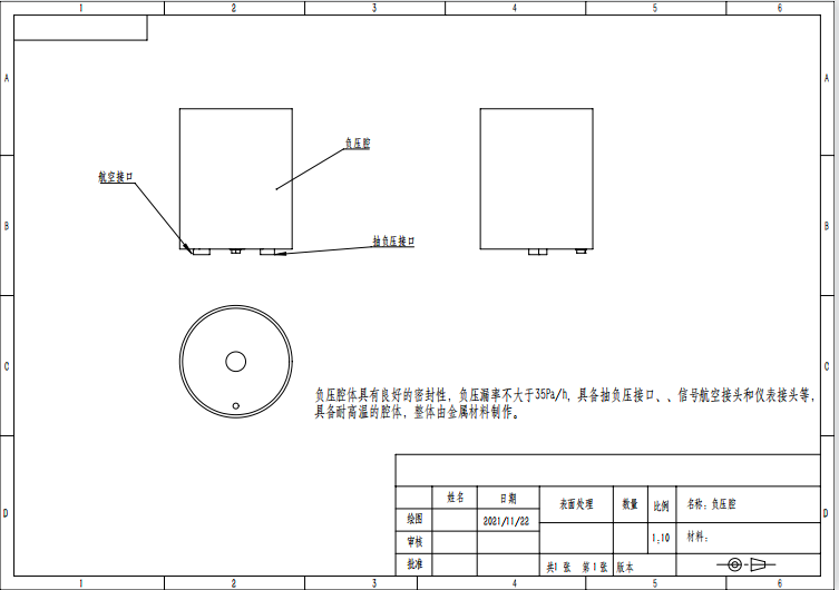
负压腔体具有良好的密封性,负压漏率不大于35Pa/h,具备抽负压接口、强电航空接头、信号航空接头和仪表接头等,具备耐高温的腔体,整体由金属材料制作。 |
|
|
距离调节架 |
1 |
个 |
20000 |
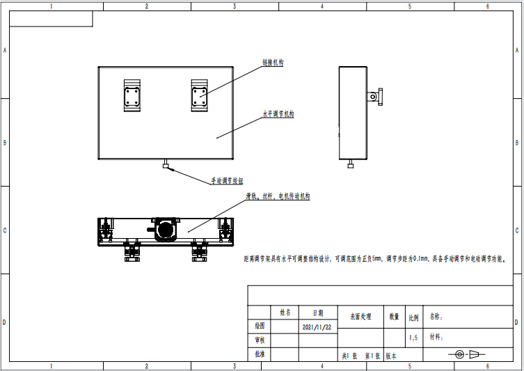
距离调节架具有水平可调整结构设计,可调范围为正负5mm,调节步距为0.1mm,具备手动调节和电动调节功能。 |
|
|
角度调节机构 |
1 |
个 |
18000 |
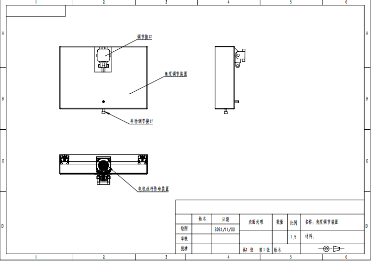
角度调节机构具有角度可调结构设计,可调范围为正负1度,调节角度进给为0.5度,具备手动调节和电动调节功能。 |
|
5、 售后服务要求
(1)自验收合格并交付使用之日起质保 1 年,若设备原厂家承诺的免费质保期高于前述标准的,按原厂家的免费质保期执行,所需费用包含在本项目总报价中。质保期内中标人对所供货物实行包修、包换、包退、包维护保养。
(2)质保期内,如设备或零部件因非人为因素出现故障而造成短期停用时,则质保期和免费维修期相应顺延。如停用时间累计超过60天则质保期重新计算。
6、 款项支付方式
货物到达采购人指定的地点且安装、调试完毕,经采购人验收合格、办理完全部验收手续后,采购人在20个工作日内以银行转账方式向中标人支付合同总价的100%款项。
7、 验收方式
由项目使用部门验收小组组织验收。
六、 定标方式
供应商完整提交第八条款规定的资料,经审核符合资质要求的入围供应商,在符合采购需求、质量和服务且相等的前提下,按报价最低的原则确定供应商,超过预算限价作无效处理。
七、 报价等资料提交时间、地点及联系方式
1、提交时间:
2021年11月22日至2021年11月24日,上午8:30至12:00,下午14:00至17:00。
2、提交地点:
广东省东莞市松山湖大学路1号bv伟德国际1946伟德国际victor1946C101。
3、联系方式:
联系人: 陈老师 联系电话:13790233807
八、 供应商须提交资料(因疫情关系,如下资料可邮寄,邮寄地址及联系人详见上述第七条)
供应商须递交资料如下(资料密封在一个文件袋中,并在文件袋中注明投标项目名称、招标人、投标人、投标日期等,并盖好公司印章):
(1)营业证照等材料:
①营业执照证书;②税务登记证书; ③组织机构代码证
(若为“三证合一”营业执照,则无需提供税务登记证(国、地税)和组织机构代码证;
(2)法定代表人身份证复印件(正、反面),若无,则提供法定代表人(或单位负责人)授权委托书(原件)、授权代表身份证复印件;
(3)报价表(见附件,签名盖章);
附件:报价表
bv伟德国际1946机械工程系公司
2021年11月4日
附件:报价表
(提示:以下为货物采购报价表,可根据项目具体性质调整报价表,但货物类项目必须提供报价单、产品详细技术参数表及售后服务承诺;基建类项目必须提供工程量清单报价表及服务承诺;服务类项目必须提供报价单、详细服务说明及服务承诺。)
XXX公司报价单
| 序号 |
货物名称 |
品牌型号 |
厂商及产地 |
数量 |
单位 |
单价 |
分项总价 |
备注 |
| 1 |
中子屏蔽体 |
定制 |
|
|
|
|
|
|
| 2 |
负压腔体 |
定制 |
|
|
|
|
|
|
| 3 |
距离调节架 |
定制 |
|
|
|
|
|
|
| 4 |
角度调节机构 |
定制 |
|
|
|
|
|
|
|
…… |
|
|
|
|
|
|
|
| 金额合计: 元 |
|
详细技术参数表
XXX公司(盖章)
20xx年xx月xx日



